555: Difference between revisions

From Noisebridge
Jump to navigation Jump to search
ESP8266 (talk | contribs)
mNo edit summary
(talk | contribs)
a stable example e16ed2c24e88fa6738359867b4402716
 
Line 34: Line 34:
</pre>
</pre>


Datasheet: http://www2.st.com/resource/en/datasheet/ne555.pdf
Datasheet:
* http://www.ti.com/lit/ds/symlink/ne555.pdf
* http://www2.st.com/resource/en/datasheet/ne555.pdf


More: https://en.wikipedia.org/wiki/555_timer_IC
More: https://en.wikipedia.org/wiki/555_timer_IC
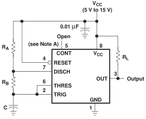
[[File:555astable.png]]
''Note A: Connect pin 5 to ground via capacitor for better performance.''
'''Frequency = 1.44 / ((Ra+Rb)C)'''
'''Duty Cycle = Rb / (Ra + 2Rb)'''

Latest revision as of 16:41, 14 March 2017

Teh world famous'ist/old'ish/ubiquitous IC

                                                   
    555555555555555555 555555555555555555 555555555555555555 
    5::::::::::::::::5 5::::::::::::::::5 5::::::::::::::::5 
    5::::::::::::::::5 5::::::::::::::::5 5::::::::::::::::5 
    5:::::555555555555 5:::::555555555555 5:::::555555555555 
    5:::::5            5:::::5            5:::::5            
    5:::::5            5:::::5            5:::::5            
    5:::::5555555555   5:::::5555555555   5:::::5555555555   
    5:::::::::::::::5  5:::::::::::::::5  5:::::::::::::::5  
    555555555555:::::5 555555555555:::::5 555555555555:::::5 
                5:::::5            5:::::5            5:::::5
                5:::::5            5:::::5            5:::::5
    5555555     5:::::55555555     5:::::55555555     5:::::5
    5::::::55555::::::55::::::55555::::::55::::::5#660::::::5
     55:::::::::::::55  55:::::::::::::55  55:::::::::::::55 
       55:::::::::55      55:::::::::55      55:::::::::55   
         555555555          555555555          555555555     
  • Operating Voltage 3-15v (typical)
  • Operating frequency >500Khz
  • Astable and monostable modes
  • Adjustable duty cycle
  • Output source or sink up to 200mA
           ---U---
   GND (1)-|     |-(8) Vcc
  TRIG (2)-| 555 |-(7) DIS
   OUT (3)-|     |-(6) THR
 RESET (4)-|     |-(5) CTRL
           -------

Datasheet:

More: https://en.wikipedia.org/wiki/555_timer_IC

Note A: Connect pin 5 to ground via capacitor for better performance.

Frequency = 1.44 / ((Ra+Rb)C)

Duty Cycle = Rb / (Ra + 2Rb)